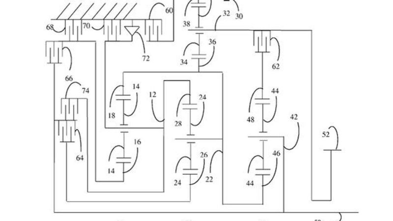
Όπως δείχνουν τα πράγματα μάλλον δεν υπάρχει όριο για τον αριθμό των σχέσεων των αυτόματων κιβωτίων, καθώς η Honda κατέθεσε στην αρμόδια αρχή Πατεντών της Ιαπωνίας τα σχέδια και τα στοιχεία για ένα νέο κιβώτιο. Το οποίο θα έχει συνολικά 11 σχέσεις και 3 συμπλέκτες, ώστε να αρθούν οι όποιοι περιορισμοί τίθενται από τα κιβώτια με διπλό συμπλέκτη.
Βέβαια η κατάθεση δεν σημαίνει πως το κιβώτιο θα περάσει ντε και καλά στην παραγωγή, καθώς η μεθοδολογία αυτή χρησιμοποιείται και προκειμένου να προστατεύονται κάποιες ιδέες.
Πάντως αν περάσει, κάτι που το θεωρούμε το πιο πιθανό, το πλεονέκτημά του, πέρα από την πιο σφιχτή κλιμάκωση θα είναι και οι ακόμα πιο γρήγορες αλλαγές. Το μοντέλο που θα μπορούσε να χρησιμοποιηθεί δεν θα είναι κάποιο σπορ αλλά ένα που θα στοχεύει κυρίως στην οικονομία καυσίμου.
Πατέντα για κιβώτιο 11 σχέσεων, αλλά με άλλη λογική και φιλοσοφία, έχει κατεθέσει πάντως και η Ford από πέρυσι.
Γιάννης Σκουφής

